• 91免费视频观看,91免费软件,91免费看片网站,91免费看片视频

    水環熱泵技術實現樓宇自控的節能要求!

    欄目:行業動態 作者:91免费视频观看智能化 發布時間:2020-06-20 關鍵詞: 樓宇自控
    分享到:
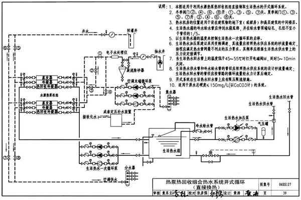
    我國熱泵技術發展較為成熟。樓宇相關建設單位進行樓宇自控施工過程中多使用這項技術。該項技術對廢棄物進行二次利用,成本較少,不僅可以保護生態環境還可以發揮廢棄物的最大價值。在智能樓宇內設置水環熱泵型空調係統可以在幫助人們節省燃料的同時解決樓宇自控過程中的供熱問題,為保護環境做出貢獻。

    水環熱泵以空氣源熱泵技術為基礎,對自然界中廢棄的低溫廢熱加以利用。熱泵技術是現今社會上出現的較為環保的節能技術之一。該項技術的操作簡單。

    水環熱泵技術實現樓宇自控的節能要求!

    我國熱泵技術發展較為成熟。樓宇相關建設單位進行樓宇自控施工過程中多使用這項技術。該項技術對廢棄物進行二次利用,成本較少,不僅可以保護生態環境還可以發揮廢棄物的最大價值。在智能樓宇內設置水環熱泵型空調係統可以在幫助人們節省燃料的同時解決樓宇自控過程中的供熱問題,為保護環境做出貢獻。

    我國的人均能源較少,能源儲備量不斷呈現減少的趨勢。在房屋中設置水環熱泵型空調係統可以緩解我國能源壓力。該項技術是能夠和地熱技術相媲美的另一個樓宇自控節能技術。


    網站地圖