• 91免费视频观看,91免费软件,91免费看片网站,91免费看片视频

    樓宇自動化BPMN流程圖及說明!

    欄目:常見問題 作者:91免费视频观看智能化 發布時間:2020-09-01 關鍵詞: 樓宇自動化
    分享到:
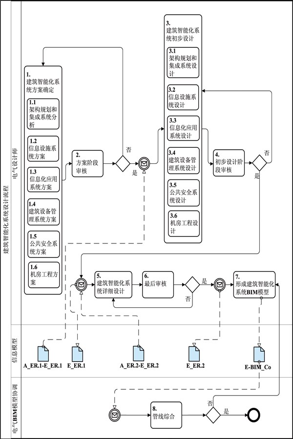
    電氣設計可以分為強電設計和弱電設計,樓宇自動化設計屬於弱電設計的一部分。樓宇自動化係統主要包括架構規劃和集成係統,信息設施係統、信息化應用係統、建築設備管理係統、公共安全係統和機房工程。

    電氣設計可以分為強電設計和弱電設計,樓宇自動化設計屬於弱電設計的一部分。樓宇自動化係統主要包括架構規劃和集成係統,信息設施係統、信息化應用係統、建築設備管理係統、公共安全係統和機房工程。

    基於BIM的樓宇自動化設計流程分為係統方案確定、方案階段審核、係統初步設計、初步設計階段審核、係統詳細設計、最後審核,整個樓宇自動化BIM模型創建完成後,需要進行管道綜合,也就是要對模型進行碰撞檢查,檢查不同構件之間是否發生衝突。

    其流程圖如圖所示,流程圖中“信息模型”一欄每個有陰影的部分都是一個交換需求,初步設計階段的交換需求表示為“E_ER.1”,詳細設計階段的交換需求表示為“E_ER.2”,在進行樓宇自動化初步設計之前要接收建築專業的初步設計模型,此時交換需求表示為“A_ER.1-E_ER.1”,在進行樓宇自動化詳細設計之前要接收建築專業的詳細設計模型,此時交換需求表示為“A_ER.2-E_ER.2”,樓宇自動化BIM模型協調直接表示為“E-BIM_Co”,Co為Coordinate(協調)。

    樓宇自動化BPMN流程圖及說明!(圖1)


    網站地圖